新聞動態您當前位置:河南省南洋防爆電機有限公司 >> 新聞資訊 >> 新聞動態 >> 瀏覽相關資訊
發布日期:2020年05月07日 信息來源:http://www.zgenhuixs.com 點擊數:

YBX3防爆電機是對YBX3系列隔爆型三相異步電動機的簡稱,是在YB3防爆電機的基礎上進行改進的防爆電機,相比YB3更加節能,能夠取代YB3防爆電機的適用性。效率符合GB18613-2012《中小型三相異步電動機能效限定值及能效等級》中的2級能效,且具有性能優良,使用安全可靠,振動、噪聲比同類產品降的特點,符合環保要求。本系列電動機防爆性能符合GB3836.1-2010《爆炸性環境第1部分:設備通用要求》和GB3836.2-2010《爆炸性環境第2部分:由隔爆外殼“d”保護的設備》的規定,制成隔爆型。防爆標志為Ex dⅡA T4 Gb、Ex dⅡB T4 Gb,Ex dⅡC T4 Gb,適用于有爆炸性氣體混合物存在的場所。 Ex dⅡA T4 Gb適用于工廠用IIA類,溫度組別為T1、T2、T3和T4組爆炸性氣體混合物存在的環境。 Ex dⅡB T4 Gb適用于工廠用IIB類,溫度組別為T1、T2、T3和T4組爆炸性氣體混合物存在的環境。 Ex d ⅡC T4 Gb 適用于工廠用IIC 類,溫度組別為T1、T2、T3 和T4 組爆炸性氣體混合物存在的環境。 在YBX3 基本系列電動機基礎上,也可制成YBX3-W 戶外型、YBX3-TH 濕熱帶型、YBX3-THW戶外濕熱帶型、YBX3-TA 干熱帶型、YBX3-TAW 戶外干熱帶型、YBX3-T 熱帶型、YBX3-TW 戶外熱帶型及YBX3-WF1 戶外中等防腐蝕型等氣候環境條件。
YBX3防爆電機用作煤礦井下(非采掘工作面)固定式設備或工廠IIB級,溫度組別為T1—T4組的可燃性氣體或蒸氣與空氣形成的爆炸性混合物的場所內的機械設備的驅動電機,主要用于煤礦、石油天然、石油化工和化學工業。此外,在紡織、冶金、城市煤氣、交通、糧油加工、造紙、醫藥等部門也被廣泛應用。防爆電機作為主要的動力設備,通常用于驅動泵、風機、壓縮機、輸送機和其他傳動機械。
YBX3防爆電機具有高節能,溫升裕度大,壽命長,性能好,振動小,防爆結構先進,起動性能優良,外形美觀,可靠性高的優點,運行時不產生電火花。電機的主接線盒位于頂部,還可根據用戶要選擇測溫、軸承測溫和加熱器。其顯著的特點是節能。
II 類 除煤礦外的其他爆炸性氣體環境用電氣設備。II 類爆炸性氣體的特性進一步分類為:IIA、IIB、IIC。II 類常見可燃性氣體、蒸氣、溫度組別見下表 II 類 用于除煤礦以外的爆炸性粉塵環境,III 類再分類:IIIA 類:可燃性飛絮 ; IIIB類:非導電性粉塵;IIIC 類:導電性粉塵;

不同溫度組別對應表面最高溫度表

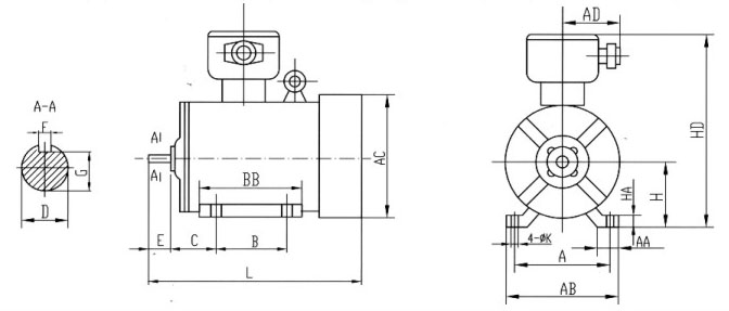
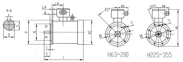
YBX3防爆電機的安裝方式符合GB997《電機結構及安裝型式代號》及IEC34-7 的規定。本系列電動機有以下5 種基本結構型式:B3—機座帶底腳、端蓋無凸緣;B5—機座不帶底腳、端蓋有凸緣;B35—機座帶底腳、端蓋有凸緣;B14—機座不帶底腳、端蓋有小凸緣;B34—機座帶底腳、端蓋有小凸緣。本系列電動機在上述5 種基本結構上,可派生15 種常用結構及安裝型式見下表:
|
機座號 |
結構及安裝型式代號(IM) |
|
80~112 |
B3、B5、B6、B7、B8、B14、B34、B35、V1、V3、V5、V6、V15、V18、V35 |
|
132~160 |
B3、B5、B6、B7、B8、B35、V1、V3、V5、V6、V15、V35 |
|
180~280 |
B3、B5、B35、V1 |
|
315~355 |
B3、B35、V1 |
|
400~450 |
B3、B35、V1 |
YBX3結構及安裝型式示意圖



YBX3防爆電機B5安裝方式對應圖表


|
YBX3系列防爆電機詳情參數表 |
|||||||||||||
|
|
|||||||||||||
|
|
|||||||||||||
|
電壓:380V |
|||||||||||||
|
|
|||||||||||||
|
|
|
|
|
頻率:50Hz |
|
|
|
|
|
|
|
|
|
|
電機型號 |
額定功率 |
額定電流 |
額定轉速 |
效率% |
功率因數 |
額定轉矩 |
堵轉轉矩 |
堵轉電流 |
最大轉矩 |
噪聲 db(A) |
重量 |
||
|
同步轉速3000r/min |
|||||||||||||
|
YBX3-80M1-2 |
0.75 |
1.7 |
2875 |
80.7 |
0.83 |
2.5 |
2.3 |
6.8 |
2.3 |
67 |
32 |
||
|
YBX3-80M2-2 |
1.1 |
2.4 |
2875 |
82.7 |
0.83 |
3.7 |
2.3 |
7.3 |
2.3 |
67 |
33 |
||
|
YBX3-90S-2 |
1.5 |
3.2 |
2890 |
84.2 |
0.84 |
5.0 |
2.3 |
7.6 |
2.3 |
72 |
39 |
||
|
YBX3-90L-2 |
2.2 |
4.6 |
2890 |
85.9 |
0.85 |
7.3 |
2.3 |
7.8 |
2.3 |
72 |
46 |
||
|
YBX3-100L-2 |
3 |
6.0 |
2891 |
87.1 |
0.87 |
9.9 |
2.3 |
8.1 |
2.3 |
76 |
57 |
||
|
YBX3-112M-2 |
4 |
7.8 |
2914 |
88.1 |
0.88 |
13.1 |
2.3 |
8.3 |
2.3 |
77 |
68 |
||
|
YBX3-132S1-2 |
5.5 |
10.6 |
2937 |
89.2 |
0.88 |
17.9 |
2.2 |
8.0 |
2.3 |
80 |
87 |
||
|
YBX3-132S2-2 |
7.5 |
14.2 |
2940 |
90.1 |
0.89 |
24.4 |
2.2 |
7.8 |
2.3 |
80 |
93 |
||
|
YBX3-160M1-2 |
11 |
20.6 |
2930 |
91.2 |
0.89 |
35.9 |
2.2 |
7.9 |
2.3 |
86 |
136 |
||
|
YBX3-160M2-2 |
15 |
27.9 |
2930 |
91.9 |
0.89 |
48.9 |
2.2 |
8.0 |
2.3 |
86 |
144 |
||
|
YBX3-160L-2 |
18.5 |
34.4 |
2937 |
92.4 |
0.89 |
60.2 |
2.2 |
8.1 |
2.3 |
86 |
155 |
||
|
YBX3-180M-2 |
22 |
40.5 |
2940 |
92.7 |
0.89 |
71.5 |
2.2 |
8.2 |
2.3 |
89 |
241 |
||
|
YBX3-200L1-2 |
30 |
54.9 |
2950 |
93.3 |
0.89 |
97.1 |
2.2 |
7.5 |
2.3 |
92 |
275 |
||
|
YBX3-200L2-2 |
37 |
67.4 |
2950 |
93.7 |
0.89 |
119.8 |
2.2 |
7.5 |
2.3 |
92 |
300 |
||
|
YBX3-225M-2 |
45 |
81.7 |
2960 |
94.0 |
0.89 |
145.2 |
2.2 |
7.6 |
2.3 |
92 |
420 |
||
|
YBX3-250M-2 |
55 |
99.6 |
2965 |
94.3 |
0.89 |
177.2 |
2.2 |
7.6 |
2.3 |
93 |
477 |
||
|
YBX3-280S-2 |
75 |
135.2 |
2970 |
94.7 |
0.89 |
241.2 |
2.0 |
6.9 |
2.3 |
94 |
640 |
||
|
YBX3-280M-2 |
90 |
161.7 |
2970 |
95.0 |
0.89 |
289.4 |
2.0 |
7.0 |
2.3 |
94 |
697 |
||
|
YBX3-315S-2 |
110 |
195.1 |
2975 |
95.2 |
0.90 |
353.1 |
2.0 |
7.1 |
2.2 |
96 |
1060 |
||
|
YBX3-315M-2 |
132 |
233.6 |
2975 |
95.4 |
0.90 |
423.7 |
2.0 |
7.1 |
2.2 |
96 |
1120 |
||
|
YBX3-315L1-2 |
160 |
279.4 |
2975 |
95.6 |
0.91 |
513.6 |
2.0 |
7.1 |
2.2 |
99 |
1290 |
||
|
YBX3-315L2-2 |
200 |
348.6 |
2975 |
95.8 |
0.91 |
642.0 |
2.0 |
7.1 |
2.2 |
99 |
1430 |
||
|
YBX3-355M-2 |
250 |
435.7 |
2980 |
95.8 |
0.91 |
801.2 |
2.0 |
7.1 |
2.2 |
103 |
1749 |
||
|
YBX3-355L-2 |
315 |
549.0 |
2980 |
95.8 |
0.91 |
1009.5 |
2.0 |
7.1 |
2.2 |
103 |
2060 |
||
|
同步轉速1500r/min |
|||||||||||||
|
YBX3-80M1-4 |
0.55 |
1.4 |
1400 |
80.7 |
0.75 |
3.8 |
2.3 |
6.3 |
2.3 |
58 |
31 |
||
|
YBX3-80M2-4 |
0.75 |
1.8 |
1400 |
82.5 |
0.75 |
5.1 |
2.3 |
6.5 |
2.3 |
58 |
32 |
||
|
YBX3-90S-4 |
1.1 |
2.6 |
1440 |
84.1 |
0.75 |
7.3 |
2.3 |
6.6 |
2.3 |
61 |
43 |
||
|
YBX3-90L-4 |
1.5 |
3.6 |
1445 |
85.3 |
0.75 |
9.9 |
2.3 |
6.9 |
2.3 |
61 |
47 |
||
|
YBX3-100L1-4 |
2.2 |
4.8 |
1440 |
86.7 |
0.81 |
14.6 |
2.3 |
7.5 |
2.3 |
64 |
56 |
||
|
YBX3-100L2-4 |
3 |
6.3 |
1440 |
87.7 |
0.82 |
19.9 |
2.3 |
7.6 |
2.3 |
64 |
62 |
||
|
YBX3-112M-4 |
4 |
8.4 |
1445 |
88.6 |
0.82 |
26.4 |
2.3 |
7.7 |
2.3 |
65 |
74 |
||
|
YBX3-132S-4 |
5.5 |
11.4 |
1455 |
89.6 |
0.82 |
36.1 |
2.0 |
7.5 |
2.3 |
71 |
93 |
||
|
YBX3-132M-4 |
7.5 |
15.2 |
1455 |
90.4 |
0.83 |
49.2 |
2.0 |
7.4 |
2.3 |
71 |
105 |
||
|
YBX3-160M-4 |
11 |
21.5 |
1460 |
91.4 |
0.85 |
72.0 |
2.2 |
7.5 |
2.3 |
75 |
141 |
||
|
YBX3-160L-4 |
15 |
28.8 |
1460 |
92.1 |
0.86 |
98.1 |
2.2 |
7.5 |
2.3 |
75 |
153 |
||
|
YBX3-180M-4 |
18.5 |
35.3 |
1470 |
92.6 |
0.86 |
120.2 |
2.2 |
7.7 |
2.3 |
76 |
235 |
||
|
YBX3-180L-4 |
22 |
41.8 |
1470 |
93.0 |
0.86 |
142.9 |
2.2 |
7.8 |
2.3 |
76 |
255 |
||
|
YBX3-200L-4 |
30 |
56.6 |
1470 |
93.6 |
0.86 |
194.9 |
2.2 |
7.2 |
2.3 |
79 |
285 |
||
|
YBX3-225S-4 |
37 |
69.6 |
1480 |
93.9 |
0.86 |
238.8 |
2.2 |
7.3 |
2.3 |
81 |
360 |
||
|
YBX3-225M-4 |
45 |
84.4 |
1480 |
94.2 |
0.86 |
290.4 |
2.2 |
7.4 |
2.3 |
81 |
390 |
||
|
YBX3-250M-4 |
55 |
102.7 |
1480 |
94.6 |
0.86 |
354.9 |
2.2 |
7.4 |
2.3 |
83 |
490 |
||
|
YBX3-280S-4 |
75 |
136.3 |
1480 |
95.0 |
0.88 |
484.0 |
2.2 |
6.7 |
2.3 |
86 |
718 |
||
|
YBX3-280M-4 |
90 |
163.2 |
1480 |
95.2 |
0.88 |
580.7 |
2.2 |
6.9 |
2.3 |
86 |
816 |
||
|
YBX3-315S-4 |
110 |
199.1 |
1485 |
95.4 |
0.88 |
707.4 |
2.2 |
6.9 |
2.2 |
93 |
1050 |
||
|
YBX3-315M-4 |
132 |
238.4 |
1485 |
95.6 |
0.88 |
848.9 |
2.2 |
6.9 |
2.2 |
93 |
1210 |
||
|
YBX3-315L1-4 |
160 |
285.1 |
1485 |
95.8 |
0.89 |
1029.0 |
2.2 |
6.9 |
2.2 |
97 |
1290 |
||
|
YBX3-315L2-4 |
200 |
355.7 |
1485 |
96.0 |
0.89 |
1286.2 |
2.2 |
6.9 |
2.2 |
97 |
1400 |
||
|
YBX3-355M-4 |
250 |
439.6 |
1490 |
96.0 |
0.90 |
1602.3 |
2.2 |
6.9 |
2.2 |
101 |
1805 |
||
|
YBX3-355L-4 |
315 |
553.9 |
1490 |
96.0 |
0.90 |
2019.0 |
2.2 |
6.9 |
2.2 |
101 |
2130 |
||
|
同步轉速1000r/min |
|||||||||||||
|
YBX3-90S-6 |
0.75 |
2.0 |
934 |
78.9 |
0.72 |
7.7 |
2.1 |
5.8 |
2.0 |
57 |
42 |
||
|
YBX3-90L-6 |
1.1 |
2.8 |
945 |
81.0 |
0.73 |
11.1 |
2.1 |
5.9 |
2.0 |
57 |
44 |
||
|
YBX3-100L-6 |
1.5 |
3.7 |
945 |
82.5 |
0.74 |
15.2 |
2.1 |
6.0 |
2.0 |
61 |
49 |
||
|
YBX3-112M-6 |
2.2 |
5.4 |
960 |
84.3 |
0.74 |
21.9 |
2.1 |
6.0 |
2.0 |
65 |
69 |
||
|
YBX3-132S-6 |
3 |
7.2 |
964 |
85.6 |
0.74 |
29.7 |
2.0 |
6.2 |
2.0 |
69 |
83 |
||
|
YBX3-132M1-6 |
4 |
9.5 |
965 |
86.8 |
0.74 |
39.6 |
2.0 |
6.8 |
2.0 |
69 |
91 |
||
|
YBX3-132M2-6 |
5.5 |
12.7 |
965 |
88.0 |
0.75 |
54.4 |
2.0 |
7.1 |
2.0 |
69 |
99 |
||
|
YBX3-160M-6 |
7.5 |
16.4 |
970 |
89.1 |
0.78 |
73.8 |
2.1 |
6.7 |
2.0 |
73 |
133 |
||
|
YBX3-160L-6 |
11 |
23.4 |
970 |
90.3 |
0.79 |
108.3 |
2.1 |
6.9 |
2.0 |
73 |
154 |
||
|
YBX3-180L-6 |
15 |
30.9 |
975 |
91.2 |
0.81 |
146.9 |
2.0 |
7.2 |
2.0 |
73 |
239 |
||
|
YBX3-200L1-6 |
18.5 |
37.8 |
980 |
91.7 |
0.81 |
180.3 |
2.1 |
7.2 |
2.0 |
76 |
240 |
||
|
YBX3-200L2-6 |
22 |
44.2 |
980 |
92.2 |
0.82 |
214.4 |
2.1 |
7.3 |
2.0 |
76 |
280 |
||
|
YBX3-225M-6 |
30 |
60.7 |
980 |
92.9 |
0.81 |
292.3 |
2.0 |
7.1 |
2.0 |
76 |
360 |
||
|
YBX3-250M-6 |
37 |
71.7 |
980 |
93.3 |
0.84 |
360.6 |
2.1 |
7.1 |
2.0 |
78 |
470 |
||
|
YBX3-280S-6 |
45 |
84.8 |
980 |
93.7 |
0.86 |
438.5 |
2.1 |
7.2 |
2.0 |
80 |
655 |
||
|
YBX3-280M-6 |
55 |
103.3 |
980 |
94.1 |
0.86 |
536.0 |
2.1 |
7.2 |
2.0 |
80 |
725 |
||
|
YBX3-315S-6 |
75 |
141.7 |
985 |
94.6 |
0.85 |
727.2 |
2.0 |
6.7 |
2.0 |
85 |
930 |
||
|
YBX3-315M-6 |
90 |
171.5 |
985 |
94.9 |
0.84 |
872.6 |
2.0 |
6.7 |
2.0 |
85 |
1060 |
||
|
YBX3-315L1-6 |
110 |
206.8 |
985 |
95.1 |
0.85 |
1066.5 |
2.0 |
6.7 |
2.0 |
85 |
1130 |
||
|
YBX3-315L2-6 |
132 |
244.5 |
985 |
95.4 |
0.86 |
1279.8 |
2.0 |
6.7 |
2.0 |
85 |
1215 |
||
|
YBX3-355S-6 |
160 |
292.3 |
990 |
95.6 |
0.87 |
1543.4 |
2.0 |
6.7 |
2.0 |
92 |
1940 |
||
|
YBX3-355M2-6 |
200 |
364.6 |
990 |
95.8 |
0.87 |
1929.3 |
2.0 |
6.7 |
2.0 |
92 |
2070 |
||
|
YBX3-355L-6 |
250 |
455.7 |
990 |
95.8 |
0.87 |
2411.6 |
2.0 |
6.7 |
2.0 |
92 |
2340 |
||

1.不得隨意拆卸;拆卸檢修時,不能用零件的防爆面作撬棒的支點,更不允許敲打或撞擊防爆面。
2.在電機的浸漆和組裝時,應將防爆面附著的絕緣漆或臟物清洗干凈,不得用鐵片等硬物刮劃,但可以用油石研磨不平整的地方。
3.若防爆面損傷,必須用鉛錫焊料HISnPb58-2,焊劑為30%濃度的鹽酸(對鋼制零件)或含錫58~60%的錫鋅焊料,焊劑為氯化銨30%,氯化鋅70%,加水100~150%混合溶液(對鑄鐵件)進行焊補,焊料與零件的結合要牢固,凸起部分要磨平,達到規定的光潔度。
4.為防止防爆面生銹,應在防爆面上涂抹機油或204-1置換型防銹油。
5.拆卸電機時,應先取下風罩、風扇,再用套管板手拆卸端蓋和軸承蓋的螺栓,然后,用圓木或銅棒沿軸向撞擊軸伸,使端蓋和機座分開,最后取下轉子。拆除零件,防爆面應朝上擱置,并用橡皮或布襯墊蓋上,緊固螺栓,彈簧墊等注意不要丟失。
YBX3防爆電機常見故障以及原因故障現象:電動機溫度過高,但電流沒有超過額定值。
原因:1.環境溫度過高。2.電動機通風道堵塞。3.電動機油泥、灰塵太多影響散熱。
故障現象:電動機不能起動,而且沒有任何聲音。
原因:1.保險絲熔斷。2.起動器掉閘。3.電源沒有電。
故障現象:電動機在運行中有爆炸聲。
原因:1.線圈暫時接地。2.線圈暫時短路。
故障現象:電動機起動后轉速較低
原因:1.電源電壓過低。2.電動機過負荷。3.定子線圈短路。4.轉子的短路環、籠條斷裂或開焊。5.將三角形接線的電動機接成星形。
故障現象:電動機不能起動,有嗡嗡的響聲
原因:1.軸承損壞。2.定子與轉子之間的空氣間隙不正常,使定子與轉子相碰。3.被帶動機械卡住。4.電源線一相斷線,或保險絲有一相熔斷,或電動機有一相繞組斷線。
故障現象:電動機起動時保險絲熔斷
原因:1.定子線圈一相反接。2.軸承損壞。3.起動時誤操作。4.定子線圈短路或接地。5.傳動皮帶太緊。6.被帶動機械卡住。
上一篇:粉塵防爆電機防爆環境防爆等級介紹 下一篇:YBBP變頻防爆電機詳細介紹