 點擊看大圖
|
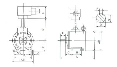
YBF2風機用防爆電機
- YBF2風機用防爆電機生產廠家: 河南省南洋防爆電機有限公司
- 電機貨號: 201414112511663
- 上架時間: 2014年01月04日
- 電機單位: 臺
- 電機規格: YBF2風機專用防爆電機
- 產品熱度:
- 服務期限: 0年
- 瀏 覽 量: 已有人關注
( 注:如果您不知道您所需要的機型可以直接撥打我們的平臺熱線或下單時注明,我們的專業客服人員會根據您的需求為您選型。)
電機(防爆)設備資料查詢系統
- 1.南洋防爆優勢有哪些?
-
- 2.電機分類(選型)
-
- 3.電機參數及性能
-
- 4.電機配件(常用)
-
- 5.電機常見問題解決方案
-
-
微信
掃一掃
獲取更多快速服務
全國免費咨詢熱線
15518435289
-
抖音號
掃一掃
獲取更多快速服務
全國免費咨詢熱線
15518435289
-
在線QQ
-
咨詢電話